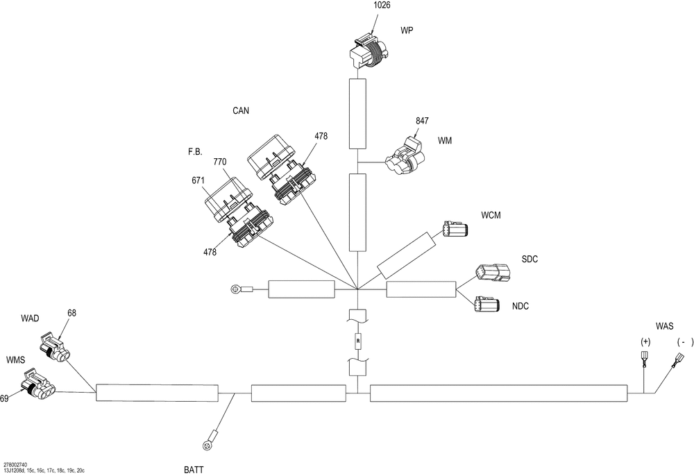
10- Electrical Harness Weedless

Корзина пуста