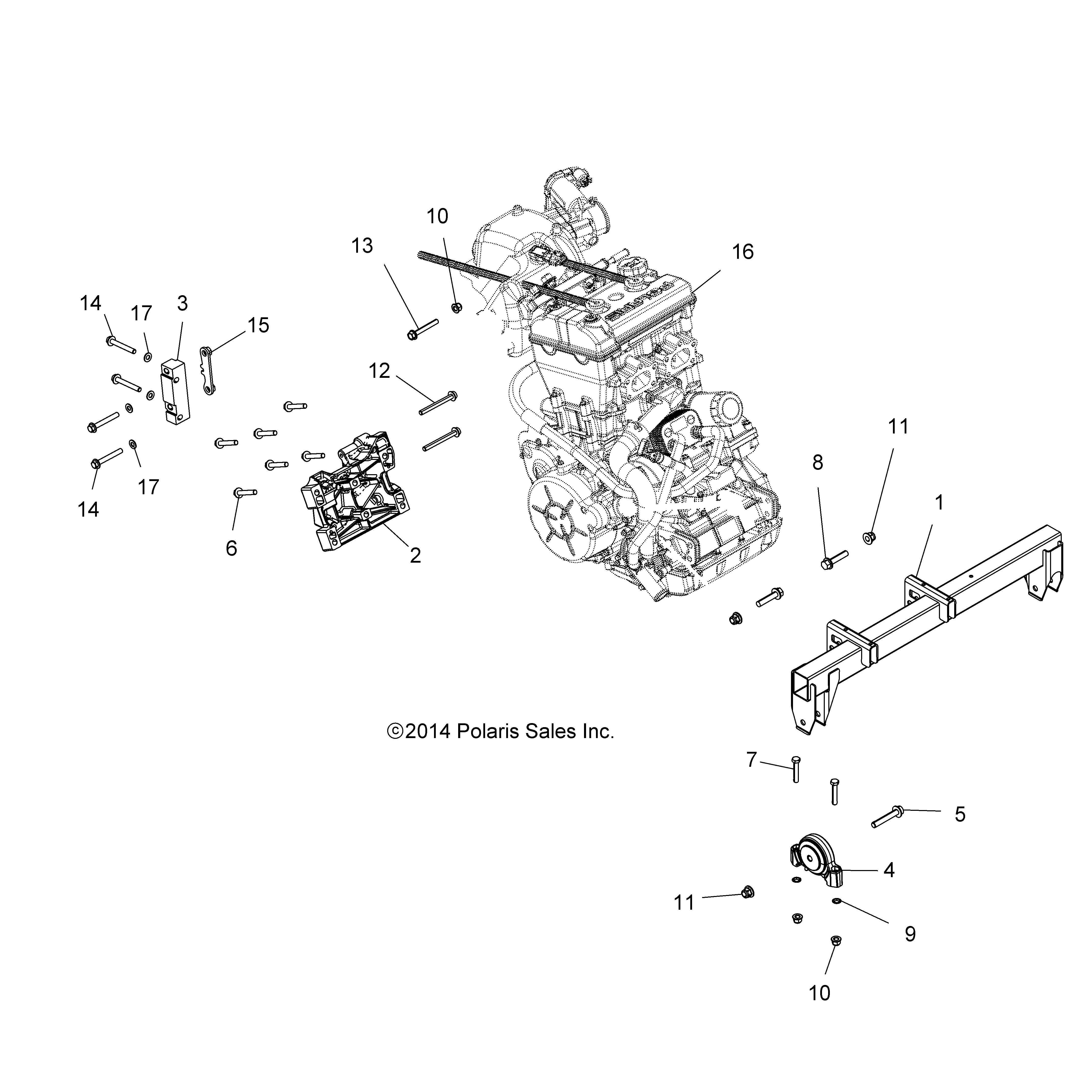
ENGINE ENGINE MOUNTING - Z18VCE87BK / BU / BR / LU (49RGRENGINEMTG15RZR900)

Корзина пуста