- Год:
- 1994
- BATTERY CABLES
- CABLE ASSEMBLY
- CARBURETOR 20EE - 20ELE
- CARBURETOR 25EE - 25ELE
- CARBURETOR 30EE - 30ELE
- CRANKSHAFT & PISTON
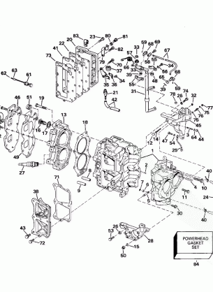
- CYLINDER & CRANKCASE
- ELECTRIC STARTER & SOLENOID
- ENGINE COVER - EVINRUDE
- ENGINE COVER - JOHNSON
- FUEL PUMP
- FUEL TANK
- GEARCASE
- IGNITION
- INTAKE MANIFOLD
- LITERATURE
- LOWER ENGINE COVER
- MIDSECTION
- PAINT
- STEERING LINK KIT
