Оригинальные каталоги
Масла и жидкости
Масла моторные
Масла трансмиссионные
Жидкости гидравлические
Жидкости охлаждающие
Жидкости тормозные
Масла гидравлические
Масла для вилок и амортизаторов
Масла компрессорные
Жидкости для стекол
Масла для цепей бензопил
Масла индустриальные
Масла промывочные
Раствор мочевины AdBlue
Автоэлектроника
Видеорегистраторы
Пылесосы автомобильные
FM трансмиттеры
Зарядные устройства
Разветвители, удлинители прикуривателя
Кабели
Вентиляторы автомобильные
Штекер прикуривателя
Датчик парктроника
Камеры заднего вида
Мониторы парковочные
Парктроники
Термометры
Накидки на сиденье с подогревом
Автохолодильники
Антирадары
Диагностический сканер
Аксессуары
Набор автомобилиста
Ароматизаторы
Тросы буксировочные
Канистры
Ремни крепления груза
Стяжки-резинки крепления
Сетки для крепления груза
Скотч
Влажные салфетки
Держатели телефонов, планшетов
Карты памяти
Наушники
Аккумулятор холода
Термосумки и контейнеры
Фонарики
Батарейки
Оплетки на руль
Огнетушители
Салфетки, полотенца, варежки
Инструмент
Домкраты
Компрессоры
Манометры
Насосы
Светильники переносные
Шарнирно-губцевый инструмент
Ударный инструмент
Метчики. Плашки
Заклёпочники
Заклёпки
Измерительный инструмент
Свёрла
Отвёртки
Изолента
Надфили. Напильники
Ножи, ножовки
Щётки
Абразивная бумага
Специнструмент
Ключи
Хомуты
Дрель-шуруповерт
Автохимия
Присадки
Промывки
Очистители
Смазки спрей
Смазки пластичные
Герметики
Средство для рук
Клей
Лакокрасочные материалы
Автошампуни
Полироли
Антифриз для тормозной системы
Масло для пропитки фильтров
Антикоррозионные составы
Прочее
Электрооборудование
Зарядные устройства
Инверторы
Конвертеры
Звуковые сигналы
Провода прикуривания
Предохранители
Противотуманные фары
Дневные ходовые огни
Электрика фаркопа
Шины и диски
Автошины
Грузовые шины
Мотошины
Камеры
Мотокамеры
Лента обода шины
Колпаки
Диски
Одежда и экипировка
Жилеты
Запчасти
Аккумуляторы
Лампы
Щетки стеклоочистителя
Гофры глушителя
Велотовары
Велосипеды
Самокаты
Велокамеры
Искать по VIN или номеру детали
Поиск по штрих-коду
Искать по VIN-номеру
Войти
Авторизация
Логин
Пароль
Напомнить пароль
Запомнить
Войти
Зарегистрироваться
Авторизоваться другим способом
Востановить пароль
Введите ваш email:
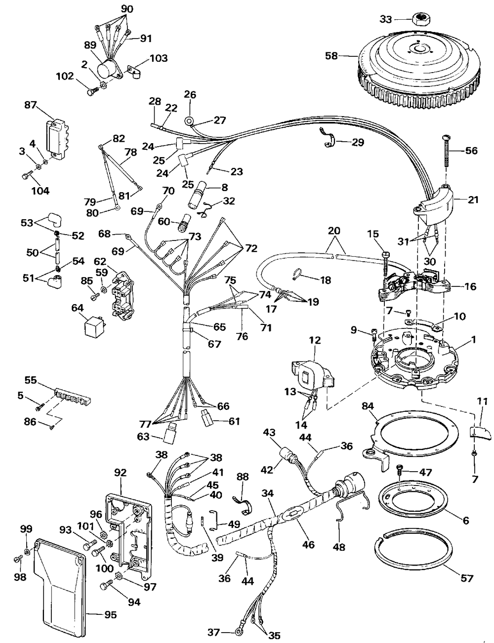
IGNITION SYSTEM - ELECTRIC START TL MODELS
Корзина пуста
Evinrude
40 TE40TELESF
40 TE40TELESF
IGNITION SYSTEM - ELECTRIC START TL MODELS
№
Наименование
Примечание
Кол-во
1
Детать
1
2
LOCKWASHER
2
3
LOCKWASHER (005 per pack)
2
4
WASHER Negative battery stud to center frame
2
5
SCREW
1
6
SUPPORT PLATE
1
7
SCREW
3
8
CONN1 PIN RCPT
1
9
SCREW-RET TO PLATE
5
10
CLAMP-LEADS
1
11
COVER-LEADS
1
12
COIL&LAM AYCHARGE
1
13
SLEEVESOCKET BLUE
2
14
TERMINAL (005 per pack)
2
15
SCREW 45RC - 45RCL - 55RW Models Only
3
16
STATOR AY
1
17
TUBING
3
18
TIE STRAP 100 PK (100 per pack)
1
19
TERM. 40724 (005 per pack)
3
20
TUBING
1
21
KIT AYPP CD2USL61
1
23
PIN(10)44-100-1414 (010 per pack)
1
24
COVER IGN COIL
2
25
PIN 481817-AE44 (010 per pack)
2
26
RING TERMINAL
1
27
SLEEVE
1
29
TIE STRAP 100PK (100 per pack)
1
30
TERM. 521616-ADZ (010 per pack)
2
31
SLEEVEBULLET TERM
2
32
RETAINER
1
33
NUT FLYWHEEL
1
34
ENG HARNES 45CU"
1
35
TERM. 40977
2
37
RING TERMINAL 0.312 in. (7.9mm) diameter
1
38
TERM. 40724 (005 per pack)
3
39
FUSE-20AMP/10 PACK (010 per pack)
1
41
TERMSCKT (010 per pack)
1
42
CONNECTOR 3-PIN
1
46
DIODE KIT
1
47
SCREW
4
48
CLAMP
1
49
RETAINER
1
50
SP PLUG LEAD AY
2
51
SP PLUG BOOT 10PK (010 per pack)
1
52
SP PLG SPRING TERM
1
53
COIL BOOT 10 PK (010 per pack)
1
55
TERMINAL BLOCK
1
56
Детать
2
57
BEARING SUPPORT
1
58
Детать
1
59
WASHER
2
60
CONN1 SKT PLUG
1
61
CONNECTOR
1
62
Детать
1
63
CONN 5 SKT PLUG
1
64
RELAY AY
2
65
Детать
1
66
TERMINAL
2
67
TIE STRAP 100PK (100 per pack)
1
70
RING-TERMINAL tahos_10
1
72
TERM.-42946-2
4
73
TERMINAL-RCPT .250
4
78
LEAD AY Trim Tilt Equipped Models Only
1
80
Детать
1
84
RETAINER
1
85
SCREW
2
86
SCREW
5
87
IGNITION COIL
1
89
RECTIFIER AY
1
92
BRACKET
1
93
SCREW
1
94
SCREW1/4-20
1
95
COVER
1
96
LOCKWASHER
1
98
SCREW
2
99
WASHER
1
100
SCREW
1
103
CLAMP
1
104
SCREW (005 per pack)
2
0583694
Trim Tilt Equipped Models Only Not Shown
1