Оригинальные каталоги
Масла и жидкости
Масла моторные
Масла трансмиссионные
Жидкости гидравлические
Жидкости охлаждающие
Жидкости тормозные
Масла гидравлические
Масла для вилок и амортизаторов
Масла компрессорные
Жидкости для стекол
Масла для цепей бензопил
Масла индустриальные
Масла промывочные
Раствор мочевины AdBlue
Автоэлектроника
Видеорегистраторы
Пылесосы автомобильные
FM трансмиттеры
Зарядные устройства
Разветвители, удлинители прикуривателя
Кабели
Вентиляторы автомобильные
Штекер прикуривателя
Датчик парктроника
Камеры заднего вида
Мониторы парковочные
Парктроники
Термометры
Накидки на сиденье с подогревом
Автохолодильники
Антирадары
Диагностический сканер
Аксессуары
Набор автомобилиста
Ароматизаторы
Тросы буксировочные
Канистры
Ремни крепления груза
Стяжки-резинки крепления
Сетки для крепления груза
Скотч
Влажные салфетки
Держатели телефонов, планшетов
Карты памяти
Наушники
Аккумулятор холода
Термосумки и контейнеры
Фонарики
Батарейки
Оплетки на руль
Огнетушители
Салфетки, полотенца, варежки
Инструмент
Домкраты
Компрессоры
Манометры
Насосы
Светильники переносные
Шарнирно-губцевый инструмент
Ударный инструмент
Метчики. Плашки
Заклёпочники
Заклёпки
Измерительный инструмент
Свёрла
Отвёртки
Изолента
Надфили. Напильники
Ножи, ножовки
Щётки
Абразивная бумага
Специнструмент
Ключи
Хомуты
Дрель-шуруповерт
Автохимия
Присадки
Промывки
Очистители
Смазки спрей
Смазки пластичные
Герметики
Средство для рук
Клей
Лакокрасочные материалы
Автошампуни
Полироли
Антифриз для тормозной системы
Масло для пропитки фильтров
Антикоррозионные составы
Прочее
Электрооборудование
Зарядные устройства
Инверторы
Конвертеры
Звуковые сигналы
Провода прикуривания
Предохранители
Противотуманные фары
Дневные ходовые огни
Электрика фаркопа
Шины и диски
Автошины
Грузовые шины
Мотошины
Камеры
Мотокамеры
Лента обода шины
Колпаки
Диски
Одежда и экипировка
Жилеты
Запчасти
Аккумуляторы
Лампы
Щетки стеклоочистителя
Гофры глушителя
Велотовары
Велосипеды
Самокаты
Велокамеры
Искать по VIN или номеру детали
Поиск по штрих-коду
Искать по VIN-номеру
Войти
Авторизация
Логин
Пароль
Напомнить пароль
Запомнить
Войти
Зарегистрироваться
Авторизоваться другим способом
Востановить пароль
Введите ваш email:
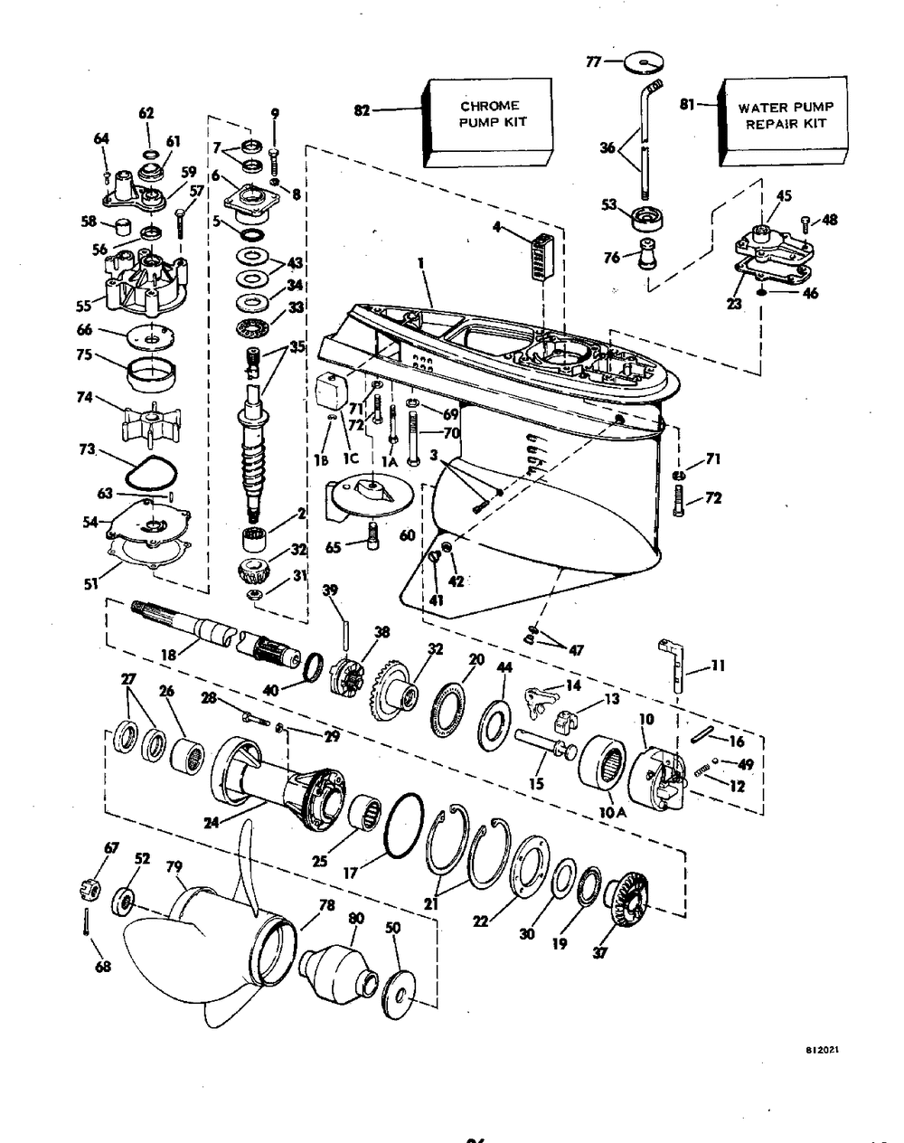
GEARCASE
Корзина пуста
Evinrude
175 E175TRXCIH
175 E175TRXCIH
GEARCASE
№
Наименование
Примечание
Кол-во
1
MODELS WITH BUILT-IN ANODE FEATURE
1
1
MODELS WITHOUT BUILT-IN ANODE FEATURE
1
1A
SCREW ANODE MODELS WITH BUILT-IN ANODE FEATURE
1
1B
LOCKWASHER
1
1C
ANODE&INSERT AY MODELS WITH BUILT-IN ANODE FEATURE
1
2
ROLLER BRG AY
1
3
RETAINING SCREW
1
4
SCREENWATER INTK
1
5
O-RING (Contents of GEARCASE SEAL KIT.)
1
6
DS BRG HSG&SEAL AY
1
7
OIL SEAL Contents of Gearcase Seal Kit (005 per pack)
2
8
WASHER
4
9
SCREW BRG HSG Electric Start Models Only
4
10
HSG.& BEARING AY
1
10A
BRG AY-FWD GEAR
1
11
DETENT
1
12
SPRING
1
13
CRADLE-SHIFT
1
14
SHIFTER-LEVER
1
15
SHAFT-SHIFTER
1
16
PIN
1
17
O-RING (010 per pack)
1
18
PROP SHAFT
1
19
BEARING AYTHRUST
1
20
THRUST BRG-FWD GR
1
21
RETAINING RING
2
22
Детать
1
24
Детать
1
25
NEEDLE BRG
1
26
NEEDLE BRG AY
1
27
SEAL (005 per pack)
2
28
SCREW (005 per pack)
4
29
SEAL (010 per pack)
1
30
THRUST WASHER
1
31
NUT PINION
1
33
THRUST BRG AY
1
34
THRUST WASHER
1
35
KIT AYD/SHAFT-20
1
35
KIT AYD/SHAFT-25 25 inch Transom Models Only
1
36
SHIFT ROD-LONG 20 in. (508mm) Transom Only
1
36
25 in. (635mm) Transom Only
1
37
REV GEAR& SHFTR AY
1
38
REV GEAR& SHFTR AY
1
39
PIN
1
40
SPRING
1
41
DRAIN FILL PLG 10P (010 per pack)
1
42
WASHER-10 PK (010 per pack)
1
43
SHIM-PINION-003
0
43
SHIM-PINION-004
0
43
SHIM 005
0
43
Детать
0
44
THRUST WASHER AY
1
45
COVER AYSHIFT ROD
1
46
O-RING (005 per pack)
1
47
DRAIN SCREW Contents of GEARCASE SEAL KIT
1
48
SCREW1/4-20
6
49
BALL
1
50
THRUST BSHG
1
51
GASKETWTR PMP 5PK Also included in Water Pump Repair Kit 395062 Also included in Water Pump Repair Kit 395060 (005 per pack)
1
52
SPACER PROP NUT
1
53
GROMMET EXH HSG
1
54
CUP & PLATE AY Contents of Water Pump Repair Kit Early Production
1
55
IMP. HSG. KIT EARLY PRODUCTION
1
57
SCREW-IMP HSG
4
58
GROMMET 3.3 L models
1
59
COVERIMPELLER HSG
1
60
TABTRIM-STD
1
61
GROMMET
1
62
O RING
1
63
KEY-IMPELLER Use with Stainless Steel Key Also included in Water Pump Repair Kit 395062
1
64
SCREW
2
65
SCREW
1
66
PLATE LINER Contents of Water Pump Repair Kit EARLY PRODUCTION
1
67
NUT&KEEPER AYPROP
1
68
COTTER PIN 10 PK (010 per pack)
1
69
LOCKWASHER 4PK (004 per pack)
1
70
SCREW
1
71
LOCKWASHER (WRL Models Only. 20 in. (508mm) Models Only.)
5
72
SCREW
5
73
SEAL IMP HSG PL Also included in Water Pump Repair Kit 392750
1
74
KIT AYIMPELLER
1
75
IMP. HSG. KIT Contents of Water Pump Repair Kit EARLY PRODUCTION
1
76
SPACER-SHIFT ROD 25 30 in. Models
1
77
Детать
1
78
Детать
1
78
Детать
1
78
Детать
1
78
VIPERTBX14.75X19RH
1
78
PROP AYAL 14.5X19 (Refer to Genuine Parts Propeller Chart.)
1
78
PROP AYAL 14.8X17 Refer to OMC Genuine Parts Propeller Chart
1
78
VIPERTBX14.5X21RH
1
78
Детать
1
78
Детать
1
78
Детать
1
78
PROP AL 14.25 X 23
1
78
Детать
1
78
PROP-AL 15.5 X 13
1
78
PROPAL 15X15 V6
1
78
PROP AYAL 14.8X17
1
78
PROP AYAL 14.3X21
1
79
CONVERG RINGV6
1
80
PROP HUB15 SPLINE
1
81
KIT AYWATER PUMP EARLY PRODUCTION
1
82
CUP & PLATE AY EARLY PRODUCTION
1
0307853
SEAL SCREW (010 per pack)
1