Оригинальные каталоги
Масла и жидкости
Масла моторные
Масла трансмиссионные
Жидкости гидравлические
Жидкости охлаждающие
Жидкости тормозные
Масла гидравлические
Масла для вилок и амортизаторов
Масла компрессорные
Жидкости для стекол
Масла для цепей бензопил
Масла индустриальные
Масла промывочные
Раствор мочевины AdBlue
Автоэлектроника
Видеорегистраторы
Пылесосы автомобильные
FM трансмиттеры
Зарядные устройства
Разветвители, удлинители прикуривателя
Кабели
Вентиляторы автомобильные
Штекер прикуривателя
Датчик парктроника
Камеры заднего вида
Мониторы парковочные
Парктроники
Термометры
Накидки на сиденье с подогревом
Автохолодильники
Антирадары
Диагностический сканер
Аксессуары
Набор автомобилиста
Ароматизаторы
Тросы буксировочные
Канистры
Ремни крепления груза
Стяжки-резинки крепления
Сетки для крепления груза
Скотч
Влажные салфетки
Держатели телефонов, планшетов
Карты памяти
Наушники
Аккумулятор холода
Термосумки и контейнеры
Фонарики
Батарейки
Оплетки на руль
Огнетушители
Салфетки, полотенца, варежки
Инструмент
Домкраты
Компрессоры
Манометры
Насосы
Светильники переносные
Шарнирно-губцевый инструмент
Ударный инструмент
Метчики. Плашки
Заклёпочники
Заклёпки
Измерительный инструмент
Свёрла
Отвёртки
Изолента
Надфили. Напильники
Ножи, ножовки
Щётки
Абразивная бумага
Специнструмент
Ключи
Хомуты
Дрель-шуруповерт
Автохимия
Присадки
Промывки
Очистители
Смазки спрей
Смазки пластичные
Герметики
Средство для рук
Клей
Лакокрасочные материалы
Автошампуни
Полироли
Антифриз для тормозной системы
Масло для пропитки фильтров
Антикоррозионные составы
Прочее
Электрооборудование
Зарядные устройства
Инверторы
Конвертеры
Звуковые сигналы
Провода прикуривания
Предохранители
Противотуманные фары
Дневные ходовые огни
Электрика фаркопа
Шины и диски
Автошины
Грузовые шины
Мотошины
Камеры
Мотокамеры
Лента обода шины
Колпаки
Диски
Одежда и экипировка
Жилеты
Запчасти
Аккумуляторы
Лампы
Щетки стеклоочистителя
Гофры глушителя
Велотовары
Велосипеды
Самокаты
Велокамеры
Искать по VIN или номеру детали
Поиск по штрих-коду
Искать по VIN-номеру
Войти
Авторизация
Логин
Пароль
Напомнить пароль
Запомнить
Войти
Зарегистрироваться
Авторизоваться другим способом
Востановить пароль
Введите ваш email:
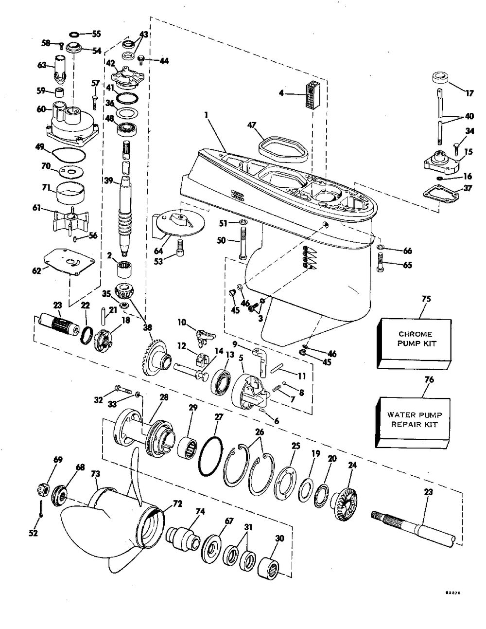
GEARCASE-15" TRANSOM
Корзина пуста
Evinrude
75 E75ERLCIH
75 E75ERLCIH
GEARCASE-15" TRANSOM
№
Наименование
Примечание
Кол-во
1
Детать
1
2
NEEDLE BRG DS LOWR
1
3
RETAINING SCREW
1
4
Детать
1
5
BRG HSG&PIN AY
1
6
PIN
1
7
SPRING
1
8
BALL
1
9
DETENT-SHIFTER
1
10
Детать
1
11
PIN
1
12
CRADLE-SHIFT
1
13
BEARING AYROLLER
1
14
SHAFT SHIFTER
1
15
CVR&BUSH AY SHFTRD
1
16
O-RING (005 per pack)
1
17
SEAL RING (WRL Models Only.)
1
18
SHIFTER CLUTCH DOG
1
19
THRUST WASHER
1
20
Детать
1
21
PIN CLUTCH DOG
1
22
SPRING CLUTCH DOG
1
23
PROPELLER SHAFT AY
1
24
REVERSE GEAR
1
25
Детать
1
26
RET RING BRG HSG
2
27
O RING BRG HSG
1
28
Детать
1
29
NDLE BRG REV GEAR
1
30
NDLE BRG PROP SHFT
1
31
SEAL Early Production Double Seal
2
32
SCREW BRG HSG Contents of Gearcase Seal Kit
3
33
SEAL (010 per pack)
1
34
SCREW
4
35
NUT
1
36
Детать
0
36
SHIM DSHAFT .007
0
36
SHIM DSHAFT .006
0
36
Детать
0
36
SHIM DSHAFT .004
0
36
Детать
0
37
GASKET 5 PK Contents of Gearcase Seal Kit (005 per pack)
1
38
Детать
1
39
MODELS WITH "H" MODEL NUMBER SUFFIX ONLY
1
40
SHIFT ROD STD
1
41
O RING 5 PK (005 per pack)
1
42
Детать
1
43
OIL RET 5 PK Early Production Double Seal (005 per pack)
2
44
SCREW
4
45
DRAIN FILL PLG 10P (010 per pack)
2
46
WASHER-10 PK (010 per pack)
1
47
SEAL Contents of Gearcase Seal Kit
1
48
ROLLER BRG AY
1
49
SEAL-IMP HSG Contents of Gearcase Seal Kit
1
50
SCREW
1
51
LOCKWASHER 4PK (004 per pack)
1
52
COTTER PIN (010 per pack)
1
53
Детать
1
54
GROMMET Also included in Water Pump Repair Kit 433549
1
55
O-RING (65WRY Model Only.) (005 per pack)
1
56
KEY-IMPELLER Use with Stainless Steel Key Also included in Water Pump Repair Kit 395062
1
57
SCREW 5 PK (005 per pack)
4
58
Детать
1
59
GROMMET 3.3 L models
1
60
WTR PUMP KIT Also included in Water Pump Repair Kit 432955
1
61
IMP & KEY AY Also included in Water Pump Repair Kit tahos_391634
1
62
IMP HSG PLATE
1
63
GUIDE TUBE (Contents of Water Pump Repair Kit.)
1
64
TABTRIM-STD
1
65
SCREW
4
66
LOCKWASHER (WRL Models Only. 20 in. (508mm) Models Only.)
4
67
THRUST BUSHING
1
68
SPACER (005 per pack)
1
69
PROP NUT
1
70
PLATE-IMP HSG Stainless Steel Also included in Water Pump Repair Kit 433549
1
71
LINER-IMP HSG Stainless Steel Also included in Water Pump Repair Kit 433549
1
72
PROPAL 12.5X13
1
72
PROP AL 13 X 11
1
72
Детать
1
72
PROPAL 12 X 17
1
72
PROPAL 12.25 X 15
1
72
Детать
1
72
SS PROP 12 1/2X13
1
72
Детать
1
72
Детать
1
72
SS PROP 12 1/4X15
1
72
SS PROP 12X17
1
73
CONVERG RING45X
1
74
PROP HUB 50 & 75
1
75
CHROME PUMP KIT Optional Accessory
1
76
KIT AYWATER PUMP
1
0307853
SEAL SCREW (010 per pack)
1
0389640
Not Shown MODELS WITH "H" MODEL NUMBER SUFFIX ONLY
1
0390939
Not Shown MODELS WITH "M" MODEL NUMBER SUFFIX ONLY PART NUMBERS NEW FOR THIS MODEL YEAR
1