- Год:
- 1969
- CARBURETOR GROUP ELECTRIC SHIFT
- CRANKSHAFT GROUP ELECTRIC SHIFT
- CUT-OUT SWITCH GROUP ELECTRIC SHIFT
- ELECTRIC STARTER GROUP ELECTRIC SHIFT
- FUEL TANK GROUP
- GEARCASE GROUP ELECTRIC SHIFT
- GENERATOR GROUP ELECTRIC SHIFT
- INSTRUMENTS AND CABLE GROUP ELECTRIC SHIFT
- LOWER MOTOR COVER GROUP ELECTRIC SHIFT
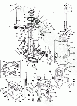
- LOWER UNIT GROUP ELECTRIC SHIFT
- MAGNETO GROUP ELECTRIC SHIFT
- MOTOR COVER GROUP ELECTRIC SHIFT
- POWERHEAD GROUP ELECTRIC SHIFT
- PUSH-BUTTON REMOTE CONTROL GROUP ELECTRIC SHIFT
