5 (4-STROKE) 0R067090 THRU 0R411837

Корзина пуста
5 (4-STROKE) 0R067090 THRU 0R411837
Год:
Остальные
Мозайкой
Списком

Accessory Parts

Accessory Parts

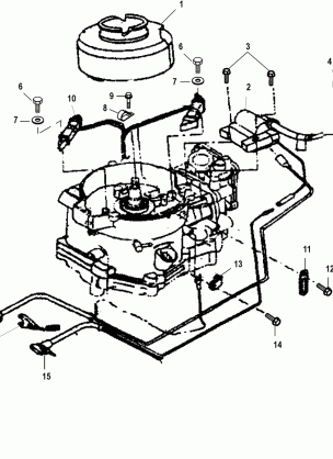
Carburetor

Carburetor

Clamp Brackets

Clamp Brackets

Cowling

Cowling

Crankshaft Piston and Connecting Rods

Crankshaft Piston and Connecting Rods

Cylinder Block

Cylinder Block

Driveshaft Housing

Driveshaft Housing

Electrical Components

Electrical Components

Fuel System

Fuel System

Gear Housing Driveshaft

Gear Housing Driveshaft

Gear Housing Propeller Shaft

Gear Housing Propeller Shaft

Intake / Exhaust Valves

Intake / Exhaust Valves

Integral Fuel Tank 4 Horsepower

Integral Fuel Tank 4 Horsepower

Lube Chart

Lube Chart

Oil Pan

Oil Pan

Recoil Starter

Recoil Starter

Remote Control 4000 Side Mount

Remote Control 4000 Side Mount

Remote Control Attaching Kit

Remote Control Attaching Kit

Sailpower / Sailmate Components

Sailpower / Sailmate Components

Shift Components

Shift Components

Special Tools

Special Tools

Steering Handle

Steering Handle

Tank Assembly Fuel - Plastic - 3.2 Gallon

Tank Assembly Fuel - Plastic - 3.2 Gallon

Throttle Shift Cables

Throttle Shift Cables