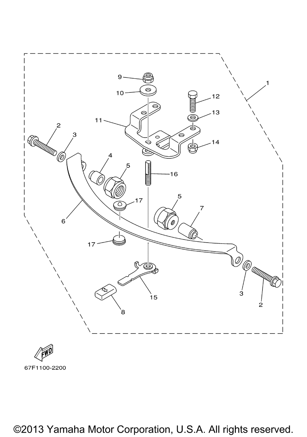
| № | Наименование | Примечание | Кол-во |
|---|---|---|---|
| 1 | STEERING FRICTION AS | 1 | |
| 2 | BOLTWITH WASHER | 2 | |
| 3 | WASHER PLATE | 2 | |
| 4 | DAMPER | 1 | |
| 5 | NUT | 2 | |
| 6 | PLATE FRICTION | 1 | |
| 7 | DAMPER | 1 | |
| 8 | COVER | 1 | |
| 9 | NUT SELF-LOCKING | 1 | |
| 10 | WASHERPLATE | 1 | |
| 11 | PLATE FRICTION | 1 | |
| 12 | BOLT | 2 | |
| 13 | WASHER (5 per pack) | 2 | |
| 14 | NUT SELF-LOCKING | 2 | |
| 15 | KNOB STEERING LOCK | 1 | |
| 16 | SHAFT STEERING LOCK | 1 | |
| 17 | PIECEFRICTION | 2 |
