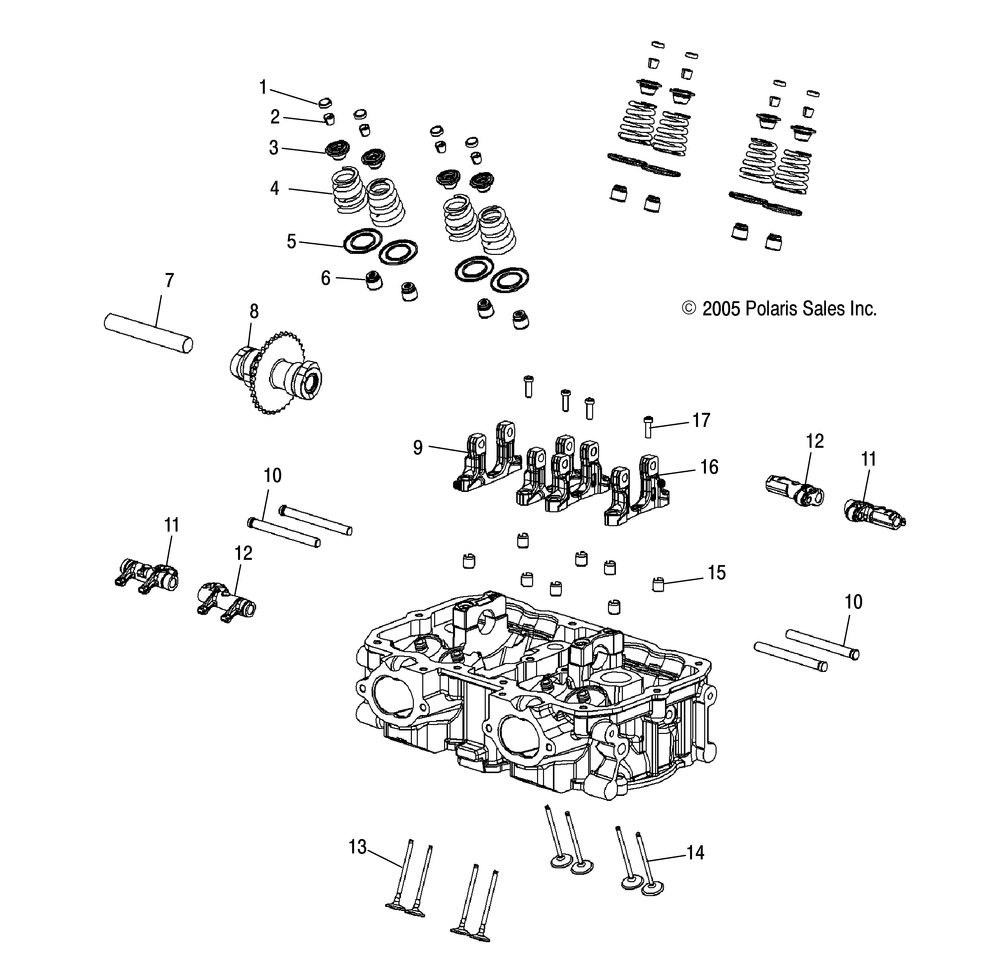
ENGINE VALVE TRAIN - S07PS7FS / FE (4997479747D13)

Корзина пуста