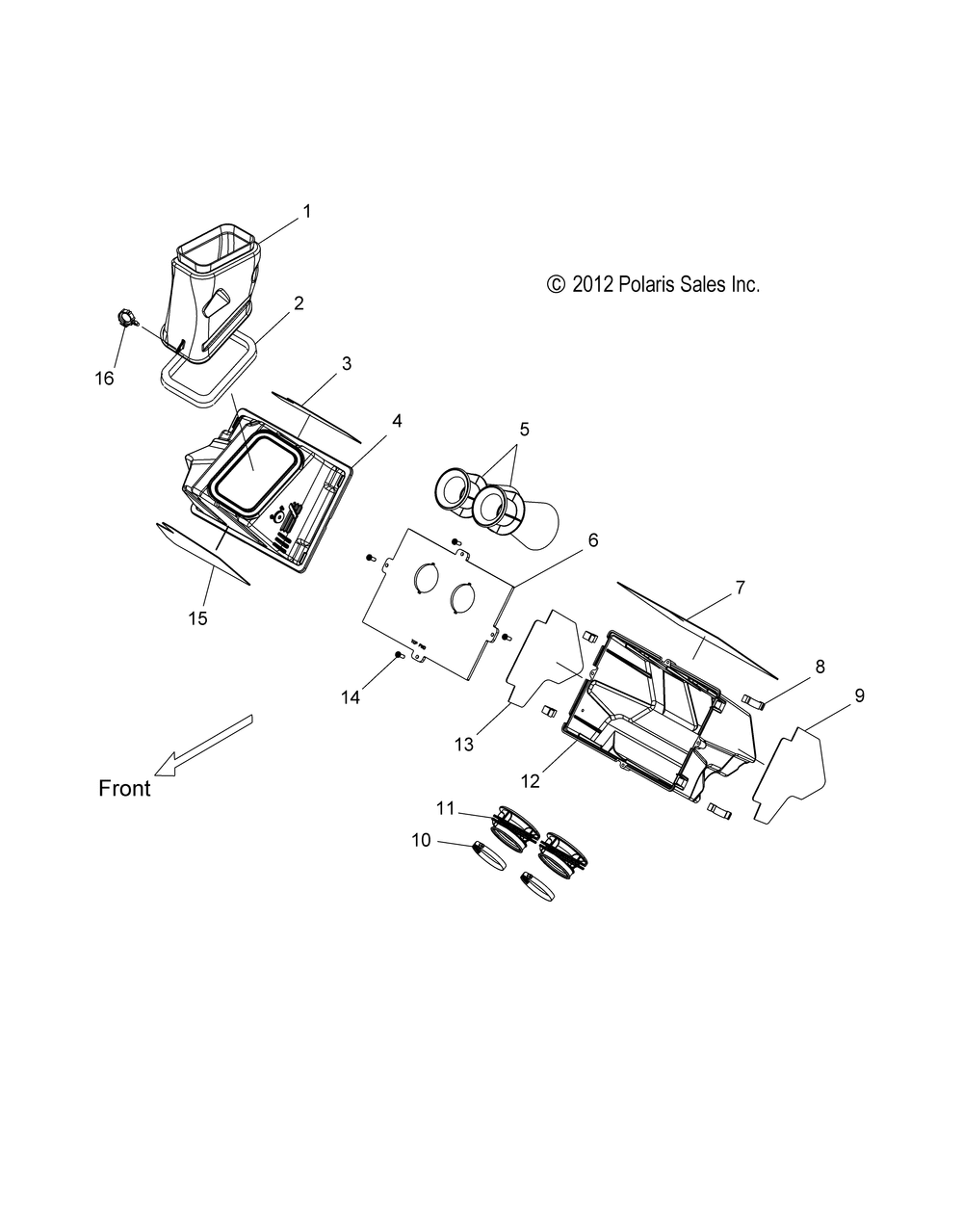
| № | Наименование | Примечание | Кол-во |
|---|---|---|---|
| 1 | ASM-INTAKE TUBE [INCL. SCREWS] | 1 | |
| 1 | SCR-10X 5/8 TX PN PLST-243 | 4 | |
| 2 | FOAM-AIRBOX SEAL | 1 | |
| 3 | BARRIER-AIRBOX REAR TOP | 1 | |
| 4 | AIRBOX-UPPER LE | 1 | |
| 5 | TUBE-INTAKE | 2 | |
| 6 | PLATE-INTAKE TWO TUBES | 1 | |
| 7 | BARRIER-AIRBOX BACK | 1 | |
| 8 | CLIP | 4 | |
| 9 | BARRIER-AIRBOX LH | 1 | |
| 10 | CLAMPNARROW BAND(1.77/2.75) | 2 | |
| 11 | BOOT-THROTTLE BODY 56MM 70DURO | 2 | |
| 12 | ASM-AIR SILENCER [INCL. 811] | 1 | |
| 13 | BARRIER-AIRBOX RH | 1 | |
| 15 | BARRIER-AIRBOX FRONT TOP | 1 | |
| 16 | CLIPROSEBUD | 1 |
