Оригинальные каталоги
Масла и жидкости
Масла моторные
Масла трансмиссионные
Жидкости гидравлические
Жидкости охлаждающие
Жидкости тормозные
Масла гидравлические
Масла для вилок и амортизаторов
Масла компрессорные
Жидкости для стекол
Масла для цепей бензопил
Масла индустриальные
Масла промывочные
Раствор мочевины AdBlue
Автоэлектроника
Видеорегистраторы
Пылесосы автомобильные
FM трансмиттеры
Зарядные устройства
Разветвители, удлинители прикуривателя
Кабели
Вентиляторы автомобильные
Штекер прикуривателя
Датчик парктроника
Камеры заднего вида
Мониторы парковочные
Парктроники
Термометры
Накидки на сиденье с подогревом
Автохолодильники
Антирадары
Диагностический сканер
Аксессуары
Набор автомобилиста
Ароматизаторы
Тросы буксировочные
Канистры
Ремни крепления груза
Стяжки-резинки крепления
Сетки для крепления груза
Скотч
Влажные салфетки
Держатели телефонов, планшетов
Карты памяти
Наушники
Аккумулятор холода
Термосумки и контейнеры
Фонарики
Батарейки
Оплетки на руль
Огнетушители
Салфетки, полотенца, варежки
Инструмент
Домкраты
Компрессоры
Манометры
Насосы
Светильники переносные
Шарнирно-губцевый инструмент
Ударный инструмент
Метчики. Плашки
Заклёпочники
Заклёпки
Измерительный инструмент
Свёрла
Отвёртки
Изолента
Надфили. Напильники
Ножи, ножовки
Щётки
Абразивная бумага
Специнструмент
Ключи
Хомуты
Дрель-шуруповерт
Автохимия
Присадки
Промывки
Очистители
Смазки спрей
Смазки пластичные
Герметики
Средство для рук
Клей
Лакокрасочные материалы
Автошампуни
Полироли
Антифриз для тормозной системы
Масло для пропитки фильтров
Антикоррозионные составы
Прочее
Электрооборудование
Зарядные устройства
Инверторы
Конвертеры
Звуковые сигналы
Провода прикуривания
Предохранители
Противотуманные фары
Дневные ходовые огни
Электрика фаркопа
Шины и диски
Автошины
Грузовые шины
Мотошины
Камеры
Мотокамеры
Лента обода шины
Колпаки
Диски
Одежда и экипировка
Жилеты
Запчасти
Аккумуляторы
Лампы
Щетки стеклоочистителя
Гофры глушителя
Велотовары
Велосипеды
Самокаты
Велокамеры
Искать по VIN или номеру детали
Поиск по штрих-коду
Искать по VIN-номеру
Войти
Авторизация
Логин
Пароль
Напомнить пароль
Запомнить
Войти
Зарегистрироваться
Авторизоваться другим способом
Востановить пароль
Введите ваш email:
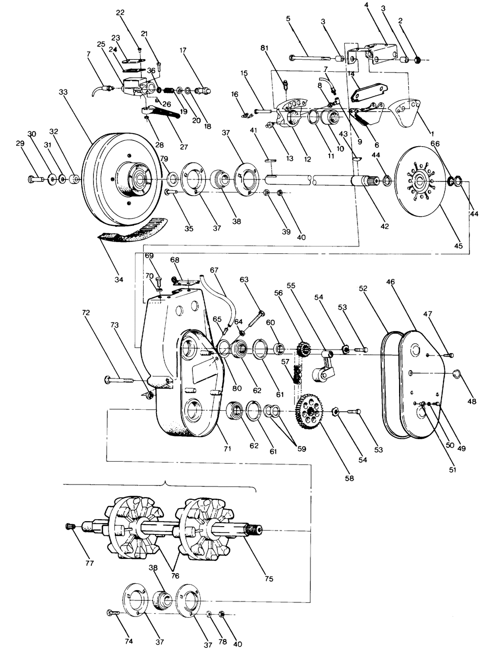
BRAKE AND CHAINCASE Sport Trail 400 and 600 (4912701270011A)
Корзина пуста
Polaris
N870559 NOR 400 SKS
N870559 NOR 400 SKS
BRAKE AND CHAINCASE Sport Trail 400 and 600 (4912701270011A)
№
Наименование
Примечание
Кол-во
3
BUSHING
4
6
PAD BRAKE (INDIVIDUAL)
2
9
ELBOW-FEMALE
1
18
O RING (10) (10 per pack)
1
19
SPRINGCOMPRESSION(10) (10 per pack)
1
20
U PACKING SEAL
1
21
SCREW
1
22
SCREW
2
23
COVER RESERVOIR
1
27
LEVERBRAKE(RED)
1
29
BOLT
1
30
WASHERFLAT
1
31
WASHERFLAT(10) (10 per pack)
0
32
SPACER-INPUT SHAFT.984X63
1
34
BELT DRIVE(5) (5 per pack)
1
35
BOLTCARRIAGE
3
36
WASHER
1
37
FLANGETTE
4
38
BEARING
2
39
WASHERFLAT(10) (10 per pack)
3
40
NUTNYLOK(10) (10 per pack)
6
41
KEY-SQUARE
1
48
PLUGRUBBER-HOLE.5DIA
1
49
SCREW
1
50
WASHER FLAT
1
51
NUT-WELL
1
52
GASKET-CHAINCASE
1
53
BOLT
2
55
TIGHTENERCHAINCASE
1
56
SPROCKET 19 T
1
57
CHAIN 64 PITCH 11W (11W)
1
57
SPROCKET 35 T11W (Sport)
1
59
BUSHING(10) (10 per pack)
2
60
SPACER SPROCKET
1
61
RINGRETAINING
2
62
BEARING tahos_6205 [1 PER]
2
63
SCREW
1
64
NUT
1
65
PIN-SPIRAL
1
67
SUBSTITUTED BY 9990000
1
69
BOLT
4
70
WASHER SPRING LOCK(10) (10 per pack)
4
71
CHAINCASE ASM(REPL.) (600)
1
72
BOLTCARRIAGE
3
73
NUTFLANGE
3
74
BOLTCARRIAGE
3
77
BUSHING METAL SPEEDO
1
78
WASHER
3