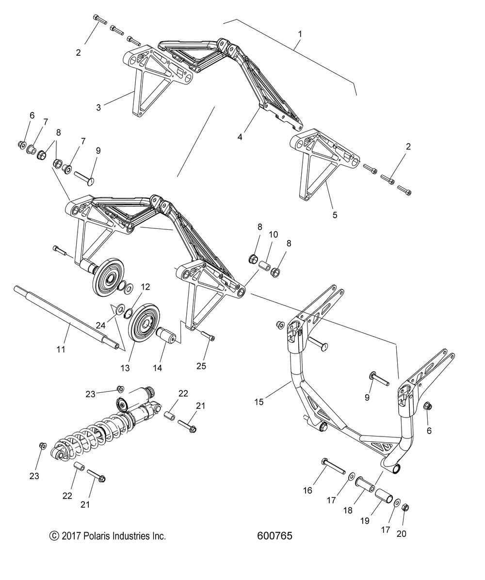
| № | Наименование | Примечание | Кол-во |
|---|---|---|---|
| 2 | SCR-SH-M8X1.25X35 10.9 ZPC P80 | 6 | |
| 3 | SIDE-CRANK RH MACH | 1 | |
| 4 | CENTER-CRANK MACH | 1 | |
| 5 | SIDE-CRANK LH MACH | 1 | |
| 6 | NUT-M10X1.5 HFN NYLOC ZOD | 4 | |
| 7 | SHAFT-RPA UPPER LWT | 4 | |
| 8 | BUSHING-CRANK | 8 | |
| 9 | BOLT-CARR M10X1.5X55 8.8 ZOD | 4 | |
| 10 | SHAFT-PIVOT LWT UPPER | 2 | |
| 11 | SHAFT-CARRIER STEPPED MACH | 1 | |
| 12 | RING-RET 1.023X.946X.042 | 2 | |
| 13 | ASM-WHEEL CARRIER 4.63 [INCL 1113] | 2 | |
| 14 | SPACER-CARRIER | 2 | |
| 15 | ASM-REAR PIVOT MBLK [INCL. 18] | 2 | |
| 16 | SCR-HXFL-M10X1.5X90 10.9 ZOD | 2 | |
| 17 | WSHR-10.5X24X1.2446 ZOD | 4 | |
| 18 | SHAFT-PIVOT | 2 | |
| 19 | BUSHING-PIVOT | 2 | |
| 20 | NUT-HH M10X1.5 NYLOC ZOD | 2 | |
| 21 | SCR-M10X1.5X60-8.8 HFS ZOD | 2 | |
| 22 | BUSHING-M10X17.5X30 | 2 | |
| 24 | WASHER | 2 | |
| 25 | SCR-SH-M8X1.25X50 12.9 RIE P80 | 2 |
