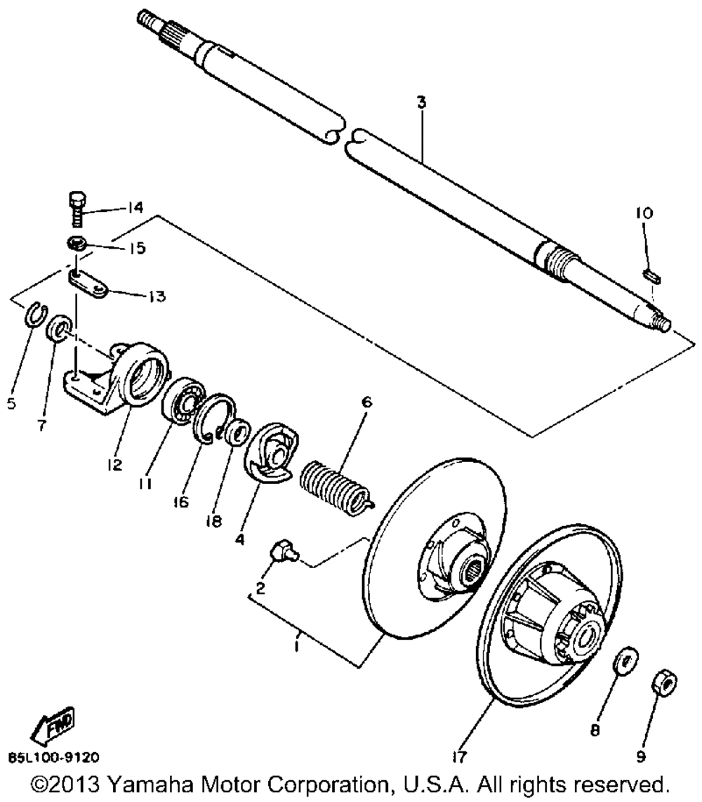
| № | Наименование | Примечание | Кол-во |
|---|---|---|---|
| 1 | SEC SLIDING SHEAVE | 1 | |
| 2 | SHOERAMP | 3 | |
| 3 | SHAFTSECONDARY | 1 | |
| 4 | SEATSECOND SPRING | 1 | |
| 5 | CIRCLIPOUTER | 1 | |
| 6 | SPRINGTORSION | 1 | |
| 7 | COLLAR | 1 | |
| 8 | WASHERPLATE | 1 | |
| 9 | NUTSELF-LOCKING | 1 | |
| 10 | KEYSTRAIGHT | 1 | |
| 11 | BEARING | 1 | |
| 12 | HOUSING BEARING | 1 | |
| 13 | PLATE 3 | 2 | |
| 14 | BOLT (97012-08025-00) | 4 | |
| 15 | WASHERSPRING | 4 | |
| 16 | CIRCLIP | 1 | |
| 17 | SEC FXD SHV | 1 | |
| 18 | COLLAR | 1 |
