| № | Наименование | Примечание | Кол-во |
|---|---|---|---|
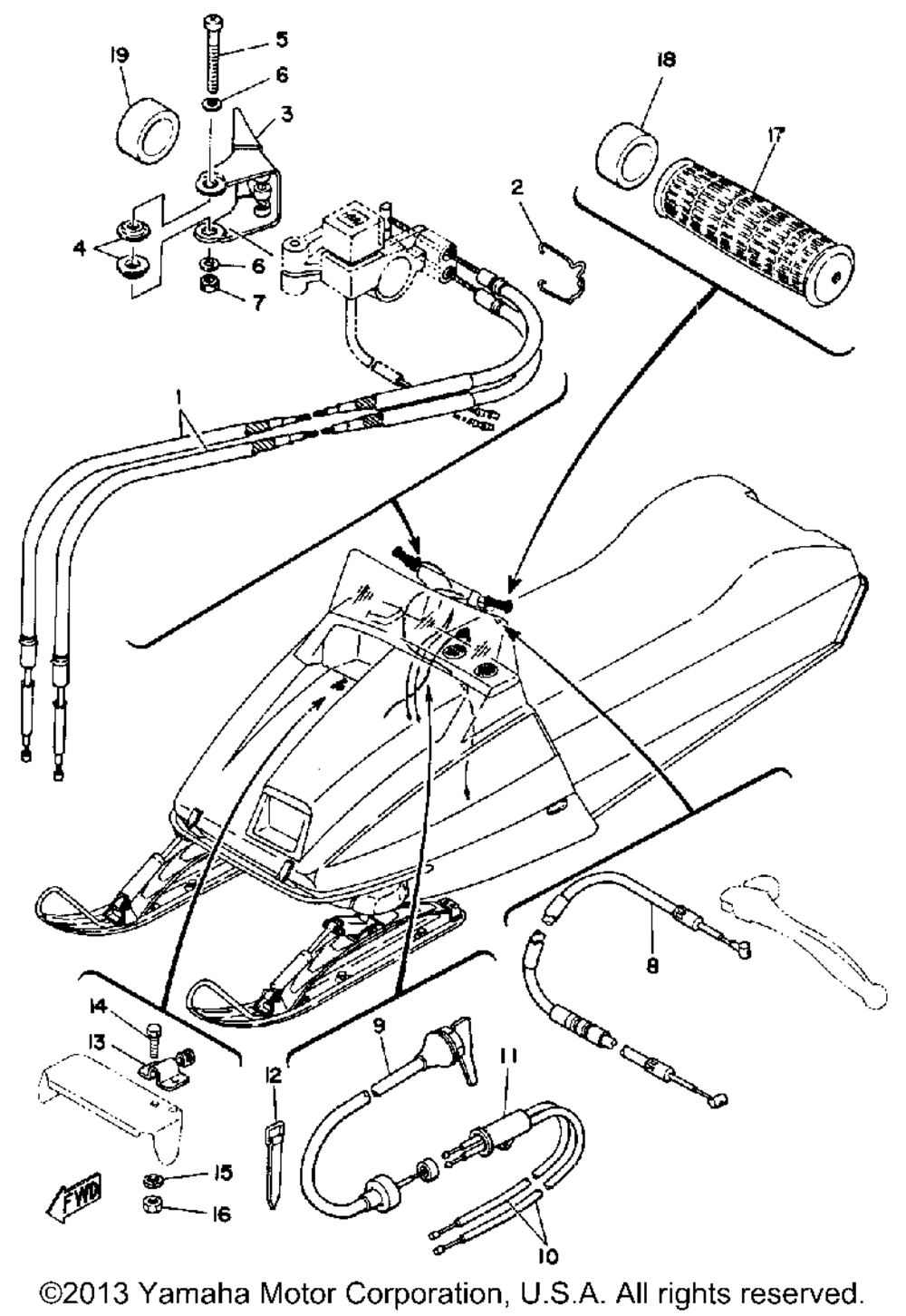
| 1 | CABLETHROTTLE 1 | 2 | |
| 4 | COLLAR | 2 | |
| 5 | SCREW PAN HEAD | 1 | |
| 6 | WASHER PLATE | 2 | |
| 7 | NUTFLANGE | 1 | |
| 10 | CABLESTARTER 2 | 2 | |
| 11 | CONNECTORCABLE | 1 | |
| 12 | BAND | 1 | |
| 13 | HOLDERWIRE | 1 | |
| 14 | BOLT (GA1) (5 per pack) | 2 | |
| 15 | WASHER (5 per pack) | 2 | |
| 17 | GRIP LH | 2 | |
| 18 | COLLAR | 1 | |
| 19 | COLLAR | 1 |
