| № | Наименование | Примечание | Кол-во |
|---|---|---|---|
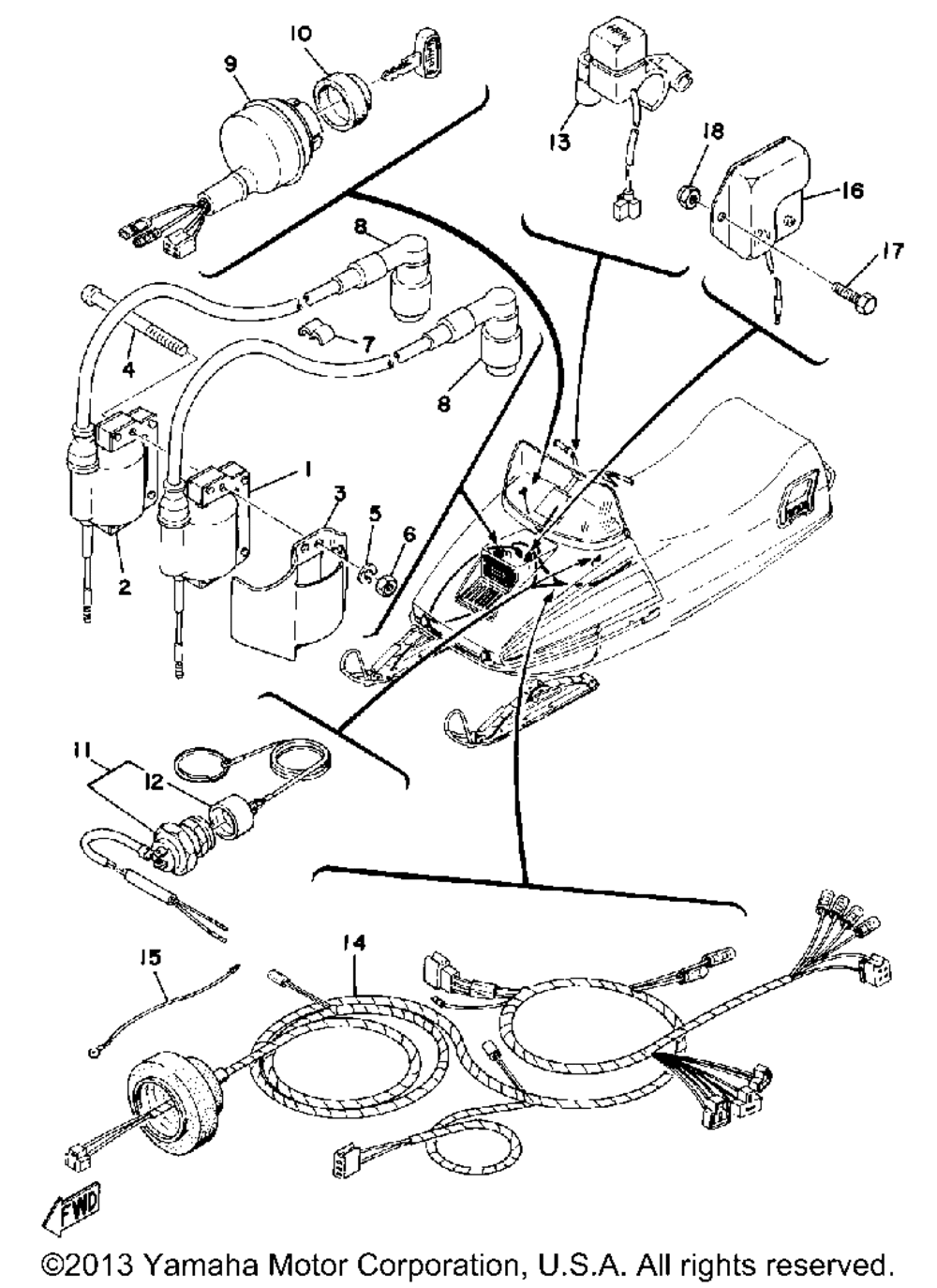
| 1 | IGNITION COIL ASY | 1 | |
| 4 | SCREWPAN | 2 | |
| 5 | WASHERSPRING (5 per pack) | 2 | |
| 6 | NUT (6TA) | 2 | |
| 7 | CLAMPCORD | 1 | |
| 8 | PLUG CAP ASY | 2 | |
| 9 | MAIN SWITCH ASY | 1 | |
| 10 | COLLARMAIN SWITCH | 1 | |
| 11 | STOP SWITCH ASY | 1 | |
| 12 | CAPSWITCH | 1 | |
| 13 | SWITCH HANDLE 1 | 1 | |
| 16 | VOLTAGE REG ASY | 1 | |
| 17 | BOLT (5 per pack) | 2 | |
| 18 | NUTFLANGE | 2 |
